T300系列OEM蠕動泵
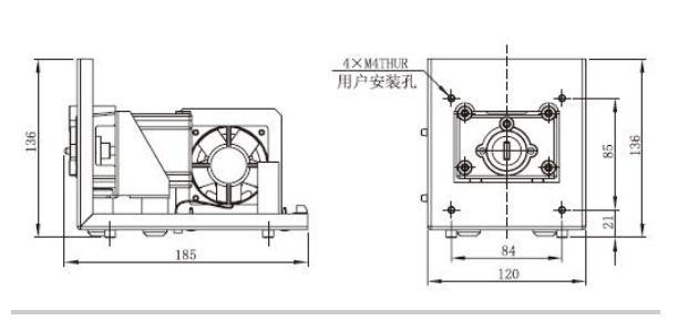
T300系列蠕動泵多種方式控制,可選配多種蠕動泵泵頭。主要在設備儀器中配套使用。底板和面板安裝兼容。
流量范圍:-≤1300ml/min
最大通道數:2
產品特性:
T300系列產品是主要針對配套客戶設計研發的蠕動泵驅動器,最高轉速為300rpm,轉速可調節,適配多種泵頭,最大能提供1140mL/min的參考流量,可采用底板和面板兩種安裝方式,直流24V供電,體積小,結構緊湊,適合配套使用。
功能特點

說明:*項目為撥碼開關結合外部信號控制方式所特有
**項目為RS485通信控制方式所特有
技術指標

其他參數